...

Go Back   Lateral-g Forums > Lateral-G Open Discussions > Project Updates
User Name
Password



Reply
 
Thread Tools Display Modes
  #101  
Old 07-01-2013, 09:18 PM
MX145 MX145 is offline
Senior Member
 
Join Date: Dec 2012
Location: Pacific NW
Posts: 441
Thanks: 0
Thanked 0 Times in 0 Posts
Default

The jig wouldn't sit tight to the crossmember so I had to slot the holes.
Attached Images
 
Reply With Quote
  #102  
Old 07-01-2013, 09:31 PM
MX145 MX145 is offline
Senior Member
 
Join Date: Dec 2012
Location: Pacific NW
Posts: 441
Thanks: 0
Thanked 0 Times in 0 Posts
Default

After more sanding and wire wheel I prep'd the subframe with Marine Clean and Metal Ready.
Attached Images
 
Reply With Quote
  #103  
Old 07-02-2013, 06:05 AM
Al Moreno Al Moreno is offline
Senior Member
 
Join Date: Dec 2004
Posts: 1,502
Thanks: 3
Thanked 1 Time in 1 Post
Default

Great work, really enjoy the pics, keep them coming
Reply With Quote
  #104  
Old 07-02-2013, 09:46 AM
waynieZ's Avatar
waynieZ waynieZ is offline
Lateral-g Supporting Member
 
Join Date: Oct 2006
Location: Ma
Posts: 8,491
Thanks: 939
Thanked 342 Times in 231 Posts
Default

Nice job it coming out great.
__________________
_Wayne________

___________________________________
https://lateral-g.net/forums/show...ghlight=FNQUIK
Reply With Quote
  #105  
Old 07-05-2013, 11:09 PM
MX145 MX145 is offline
Senior Member
 
Join Date: Dec 2012
Location: Pacific NW
Posts: 441
Thanks: 0
Thanked 0 Times in 0 Posts
Default

i got the car mocked up at ride height to check and recheck my measurements. I setup the front and rear suspension for 4" ride tech coilovers taking into account the midpoint of stroke plus approx 5% for a little additional compression over extension. I also factored in shaft and suspension component bump stops. The packaging on the 4-link is very tight so I'll be tacking brackets into place for final mockup before getting too serious with the welder. Especially since I did all the original design work based on product specs and compensation measurements taken from stock suspension, wheels and tires, and ride height. The packaging on the front coilovers is pretty tight as well around the subframe pocket area. I was able to get ahold of a coilover for test fitment and was surprisingly right on with all measurements but one which was an 1/8" off. Fortunately I was able to mock this up before cutting the coilover brackets as this 1/8" ended up being a big deal since the pocket area is extremely tight throughout the travel arc.
Attached Images
 
Reply With Quote
  #106  
Old 07-05-2013, 11:20 PM
MX145 MX145 is offline
Senior Member
 
Join Date: Dec 2012
Location: Pacific NW
Posts: 441
Thanks: 0
Thanked 0 Times in 0 Posts
Default

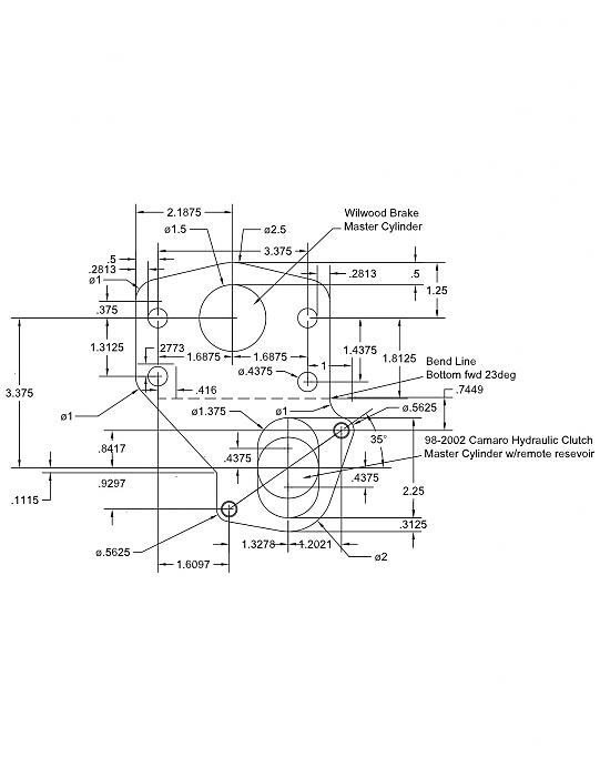
I've also been working on the hydraulic clutch setup. As I mentioned a few days ago I can't find specs anywhere on the internet for the 98-2002 GM master cylinder so the bottom bolt pattern is a guess based on another rough template I found that was missing a lot of dimensions. Because of this I started from scratch with my own measurements for the entire thing. I also wanted to closely follow the firewall contours especially above the brake master cylinder and retain the factory speedometer cable location. I'll update the bottom bolt pattern when I pick up the clutch master cylinder. I was able to measure the rest of it out based on the car and my Wilwood brake master cylinder and it seems to fit well.
Attached Images
 

Last edited by MX145; 07-06-2013 at 12:12 AM.
Reply With Quote
  #107  
Old 07-05-2013, 11:45 PM
MX145 MX145 is offline
Senior Member
 
Join Date: Dec 2012
Location: Pacific NW
Posts: 441
Thanks: 0
Thanked 0 Times in 0 Posts
Default

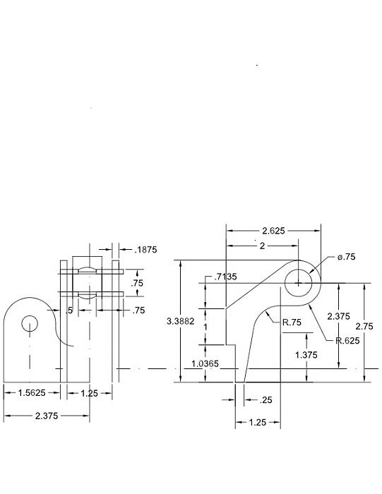
This is the front coilover mount. I haven't posted any dimensions of the upper control arm mount out of respect for DSE's design. I go back and forth on my 4-link as well because it has DSE packaging similarities but it's all my own math and dimensions. My shop drawings could also use more detail and be more complete but they are enough for me to remember what I'm doing and layout as intended. I've also gotten too accustomed to the ease of CNC/GNC and not having to dimension all my drawings. Draftsight has also been a little quirky with printing and exporting to PDF. There's a strange extension on the radius location in this drawing that's not there in the dwg file. The artifact just showed up on the export. Also for the life of me I can't figure out how to get Draftsite to export to PDF in 1:1 scale. For my own use I've had to save the DWG file and convert to PDF using the AutoCAD app for MAC to get the proper scale. I can print 1:1 scale but the app seems to randomly pick centering and loses the 1:1 scaling after each print job regardless of saving a printer profile or not. All these quirks exist in sheet and model views. Other than that its an awesome 2D CAD program. Especially since it's $0 cost. Hopefully some of this info is useful to help someone out there and I'm not ruffling any feathers.

DSE's engineering and craftsmanship is awesome. I just can't afford all of their parts so I'm making the best of it with what I have to work with. If I had the funds I would have gladly purchased all of their components and saved a lot of headaches, measurements, and computer time.
Attached Images
 

Last edited by MX145; 07-05-2013 at 11:57 PM.
Reply With Quote
  #108  
Old 07-05-2013, 11:59 PM
frankv11's Avatar
frankv11 frankv11 is offline
Senior Member
 
Join Date: Dec 2009
Location: socal
Posts: 963
Thanks: 0
Thanked 28 Times in 17 Posts
Default

Quote:
Originally Posted by MX145 View Post
I've also been working on the hydraulic clutch setup. As I mentioned a few days ago I can't find specs anywhere on the internet for the 98-2002 GM master cylinder so the bottom bolt pattern is a guess based on another rough template I found that was missing a lot of dimensions. Because of this I started from scratch with my own measurements for the entire thing. I also wanted to closely follow the firewall contours especially above the brake master cylinder and retain the factory speedometer cable location. I'll update the bottom bolt pattern when I pick up the clutch master cylinder. I was able to measure the rest of it out based on the car and my Wilwood brake master cylinder and it seems to fit well.
Putting in some leg work
I just bought mine from ebay and called it a day.
But again last time I did any CAD work my computer screen was black and green and had to type 20 commands to make 1 dot.
Great work
Reply With Quote
  #109  
Old 07-06-2013, 12:17 AM
MX145 MX145 is offline
Senior Member
 
Join Date: Dec 2012
Location: Pacific NW
Posts: 441
Thanks: 0
Thanked 0 Times in 0 Posts
Default

Haha. I hear ya. The new features in Autodesk Inventor and Solidworks are crazy. I wish I had the patience and ability to learn the new tools to do all that fancy stuff like Cris@JCG can. I'm just getting by trying to remember what commands I learned 20 years ago. I don't think they use digitizer boards anymore either. LOL.
Reply With Quote
  #110  
Old 07-06-2013, 12:20 AM
Vince@Meanstreets's Avatar
Vince@Meanstreets Vince@Meanstreets is offline
Senior Member
 
Join Date: Nov 2004
Location: Bay Area, California
Posts: 5,532
Thanks: 13
Thanked 20 Times in 13 Posts
Default

Quote:
Originally Posted by MX145 View Post
This is the front coilover mount. I haven't posted any dimensions of the upper control arm mount out of respect for DSE's design. I go back and forth on my 4-link as well because it has DSE packaging similarities but it's all my own math and dimensions. My shop drawings could also use more detail and be more complete but they are enough for me to remember what I'm doing and layout as intended. I've also gotten too accustomed to the ease of CNC/GNC and not having to dimension all my drawings. Draftsight has also been a little quirky with printing and exporting to PDF. There's a strange extension on the radius location in this drawing that's not there in the dwg file. The artifact just showed up on the export. Also for the life of me I can't figure out how to get Draftsite to export to PDF in 1:1 scale. For my own use I've had to save the DWG file and convert to PDF using the AutoCAD app for MAC to get the proper scale. I can print 1:1 scale but the app seems to randomly pick centering and loses the 1:1 scaling after each print job regardless of saving a printer profile or not. All these quirks exist in sheet and model views. Other than that its an awesome 2D CAD program. Especially since it's $0 cost. Hopefully some of this info is useful to help someone out there and I'm not ruffling any feathers.

DSE's engineering and craftsmanship is awesome. I just can't afford all of their parts so I'm making the best of it with what I have to work with. If I had the funds I would have gladly purchased all of their components and saved a lot of headaches, measurements, and computer time.
i'd change that R.75 to something longer and more of a 45*. Also use misalignment bushings and drop that bolt size to .500 that way you can use more material surrounding it.

looking good.
__________________
MEANSTREETS PERFORMANCE

Dealer for
ACCUAIR rideheight control systems
ENTROPY RADIATORS XXX radiators for your pro-touring vehicle
FORGELINE MOTORSPORTS Highline custom 3 piece wheels
WEGNER AUTOMOTIVE Custom engines and LSX drive systems
SPEEDTECH PERFORMANCE Bay Area stocking dealer

NEVER FORGET -11
Reply With Quote
Reply


Posting Rules
You may not post new threads
You may not post replies
You may not post attachments
You may not edit your posts

BB code is On
Smilies are On
[IMG] code is On
HTML code is Off

Forum Jump


All times are GMT -7. The time now is 06:17 PM.


Powered by vBulletin® Version 3.8.11
Copyright ©2000 - 2026, vBulletin Solutions Inc.
Copyright Lateral-g.net