...
More Hot Rod Power Tour 2014 Pics
Brian Hobaugh SCCA National Tour June 2014
Ultimate Street Car Association Optima Qualifier in Fontana Ca.
First Hemi 'Cuda Convertible Ever Built
Short clips: Goodguys Pleasanton autocross and pit videos
Lateral-g Forums
>
Vendor Specific Technical Discussions and Support
>
Lateral-G Sponsor News: Sales, New Product Info
LSx Oil pan
User Name
Remember Me?
Password
Register
FAQ
Members List
Lateral-G Magazine/Stories/Tech/Videos
Become a Supporting Member
Go to Page...
Click Here to Advertise on Lateral-G.net
Page 2 of 2
<
1
2
Thread Tools
Display Modes
#
11
03-02-2006, 10:46 AM
Jr
Senior Member
Join Date: Sep 2005
Location: so cal
Posts: 1,780
Thanks: 0
Thanked 5 Times in 4 Posts
I would prefer to not cut up the trans tunnel, so will these mounts put the T-56 trans in a place where I would not have to cut trans tunnel? thanks
Last edited by Jr; 03-02-2006 at
10:50 AM
.
Jr
View Public Profile
Find all posts by Jr
#
12
03-02-2006, 12:17 PM
jannes_z-28
Supporting Member
Join Date: Jul 2004
Location: Stockholm, Sweden
Posts: 879
Thanks: 0
Thanked 0 Times in 0 Posts
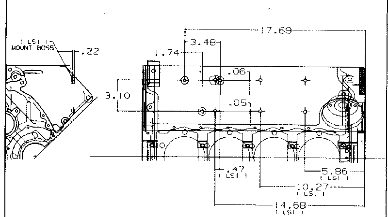
The Hooker mounts looks pretty much as GM measure it in their LS1 Installation guide. Here is a drawing from that book:
Jan
__________________
Jan Suhr
Stockholm, Sweden
'69 Camaro Z/28 LS1/T56
www.protouring.se
www.carphotos.se
jannes_z-28
View Public Profile
Visit jannes_z-28's homepage!
Find all posts by jannes_z-28
#
13
03-02-2006, 02:19 PM
427
Member
Join Date: Mar 2005
Location: Clayton NC
Posts: 57
Thanks: 0
Thanked 0 Times in 0 Posts
Very nice quality fit/finish. Nice product Kurt.
Kurt
__________________
Horsepower junkie.
427
View Public Profile
Visit 427's homepage!
Find all posts by 427
#
14
03-02-2006, 08:54 PM
Autokraft
Supporting Vendor
Autokraft.org
Join Date: Jul 2005
Location: Eau Claire,Wi
Posts: 874
Thanks: 0
Thanked 0 Times in 0 Posts
Quote:
Originally Posted by
427
Very nice quality fit/finish. Nice product Kurt.
Kurt
Thanks Kurt for the compliment. Did you get our pan for Project G-Rex yet?
I think Todd shipped it to you last week.
Kurt
www.autokraft.org
Autokraft
View Public Profile
Find all posts by Autokraft
#
15
03-02-2006, 09:06 PM
Autokraft
Supporting Vendor
Autokraft.org
Join Date: Jul 2005
Location: Eau Claire,Wi
Posts: 874
Thanks: 0
Thanked 0 Times in 0 Posts
Quote:
Originally Posted by
DJW32
I would prefer to not cut up the trans tunnel, so will these mounts put the T-56 trans in a place where I would not have to cut trans tunnel? thanks
No modifications required to the tunnel with our plates & mounts.
Kurt
www.autokraft.org
Autokraft
View Public Profile
Find all posts by Autokraft
#
16
03-02-2006, 10:23 PM
Jr
Senior Member
Join Date: Sep 2005
Location: so cal
Posts: 1,780
Thanks: 0
Thanked 5 Times in 4 Posts
Quote:
Originally Posted by
Autokraft
No modifications required to the tunnel with our plates & mounts.
Kurt
www.autokraft.org
That is great news!
Jr
View Public Profile
Find all posts by Jr
#
17
03-03-2006, 10:04 AM
427
Member
Join Date: Mar 2005
Location: Clayton NC
Posts: 57
Thanks: 0
Thanked 0 Times in 0 Posts
We had one come in from a mutual customer, fits and looks great. Nice to "bolt on" something that actually bolts on!!
Kurt
Quote:
Originally Posted by
Autokraft
Thanks Kurt for the compliment. Did you get our pan for Project G-Rex yet?
I think Todd shipped it to you last week.
Kurt
www.autokraft.org
__________________
Horsepower junkie.
427
View Public Profile
Visit 427's homepage!
Find all posts by 427
#
18
03-03-2006, 07:47 PM
clill
Moderator
Join Date: Jul 2004
Posts: 3,653
Thanks: 77
Thanked 1,985 Times in 689 Posts
Too many Kurts in this thread...
clill
View Public Profile
Visit clill's homepage!
Find all posts by clill
#
19
03-03-2006, 08:08 PM
Autokraft
Supporting Vendor
Autokraft.org
Join Date: Jul 2005
Location: Eau Claire,Wi
Posts: 874
Thanks: 0
Thanked 0 Times in 0 Posts
Quote:
Originally Posted by
clill
Too many Kurts in this thread...
And not enough Charlies...
Autokraft
View Public Profile
Find all posts by Autokraft
Page 2 of 2
<
1
2
«
Previous Thread
|
Next Thread
»
Thread Tools
Show Printable Version
Display Modes
Linear Mode
Switch to Hybrid Mode
Switch to Threaded Mode
Posting Rules
You
may not
post new threads
You
may not
post replies
You
may not
post attachments
You
may not
edit your posts
BB code
is
On
Smilies
are
On
[IMG]
code is
On
HTML code is
Off
Forum Rules
Forum Jump
User Control Panel
Private Messages
Subscriptions
Who's Online
Search Forums
Forums Home
Introductions
Member/Project/Vehicle Introductions
Lateral-G Open Discussions
Open Discussion
Project Updates
Mark Stielow Builds
Lateral-G Car Features
Print Media Coverage
Lateral-G Featured Vendor
Off Topic Forums
Muscle Car of the Week Show by V8TV
The Muscle Car Place Weekly Podcast
Artwork and Collectibles
Supporting Members Lounge
Events
Lateral-G's "Members on the Scene"
Track and Driving Events
Community Events
Technical Discussions
Shop & Equipment
Man Caves
How To's, Tips, and Tricks
Engine
LSX Conversions
EFI and Forced Induction
Cooling: Radiators/Fans/Controllers
Brakes
Chassis and Suspension
Wheels and Tires
Wheel Gallery
Transmission and Rear End
Safety Equipment
Interior and Electrical
Paint and Body
Race Cars and Modern Pro-Street
Trucks
Vendor Specific Technical Discussions and Support
Lateral-G Sponsor News: Sales, New Product Info
Supporting Vendor Group Purchases
Classifieds
Cars for Sale
Parts for Sale
Wanted/WTB
What's it Worth
Cars Sold
Trade/Free
Help, Feedback and Testing
Vendor/Member Feedback
Questions, Comments and Suggestions
The Skid Pad: Test your posting skills
All times are GMT -7. The time now is
03:57 AM
.
Contact Us
-
Lateral-g.net
-
Archive
-
Top
Powered by vBulletin® Version 3.8.11
Copyright ©2000 - 2026, vBulletin Solutions Inc.
Copyright Lateral-g.net