|
|

12-12-2007, 10:16 AM
|
 |
Member
|
|
Join Date: Aug 2007
Location: Manassas, Va
Posts: 23
Thanks: 0
Thanked 0 Times in 0 Posts
|
|
Garage Dog 65 - I'll take you up on that! I have a complete pinout of the FAST XFi box, and have done considerable amount of background on that. I know that a number of the leads in my case will not be used, and personally, I would prefer to use the smallest connector needed. REGARDLESS, I would be happy to use one that accounts for all the leads, just out of convenience.
The best scenario would be to use a 'mixed' connector, that accounts for the correct number of leads for the correct gauge wire. THAT will take going down the schematic and counting the gauge/pin/lead thing and recording. Not particularly difficult, just needs to be done. It may not be feasible to do in one connector.
As for which ECU, let me say this. All have a basic number of required sensors and drivers, correct? Like TPS, Water, IAC, ATS, Crank trigger, Cam trigger, etc. One could account for these and create a pass-through config that would generally account for most, if not all ECUs. One's that require more, like trans or whatever, could use an additional bulkhead. Just a thought...
When I get home I'll post the pinout on the FAST. Garage Dog 65, I'll be more than willing to help in any way I can, though I'm sure some have already done what we're talking about, would be nice if they anti-up, wouldn't it?
__________________
1971 Lemans Sport 461 bottle fed daily driver
1971 Trans Am 474 blown EFI pro tour car
1972 442 W-30 clone
|

12-13-2007, 05:31 AM
|
 |
Member
|
|
Join Date: Aug 2007
Location: Manassas, Va
Posts: 23
Thanks: 0
Thanked 0 Times in 0 Posts
|
|
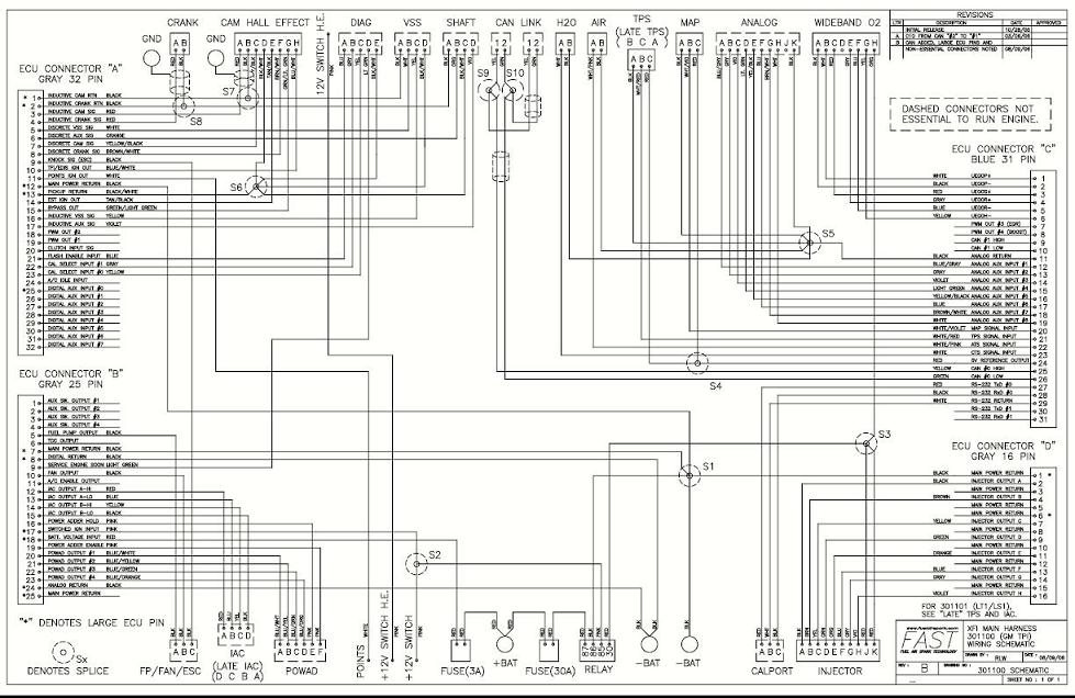
Ok, here's the main harness & injector harness schematics. There are a number of options that can be used as well, which require more leads, but this is the basic. To get a better understanding, download the CComp software from FAST and install it. It creates a directory that contains ALL the schematics, including all options. The schematics are in PDF, and as a jpg, larger that I can post here, which is why I suggest the download. Hope this helps some!
__________________
1971 Lemans Sport 461 bottle fed daily driver
1971 Trans Am 474 blown EFI pro tour car
1972 442 W-30 clone
|

12-13-2007, 06:14 AM
|
|
Senior Member
|
|
Join Date: Jun 2006
Location: Indianapolis IN
Posts: 1,207
Thanks: 0
Thanked 1 Time in 1 Post
|
|
LS1 PCM Pinouts
Here are the PCM pinouts for my 2002 LS1 PCM from a vette. 2 connectors with 80 slots each - but many aren't used.
I don't have a harness yet - so I left the gauge column open for later. I asterisked the items I felt should be in the bulkhead connectors. Looks like we could easily get 2 bulkhead connectors with enough capacity - even if we break them into power/servo and sensor.
Jim
Last edited by Garage Dog 65; 12-13-2007 at 07:06 AM.
|

12-13-2007, 06:42 AM
|
 |
Member
|
|
Join Date: Aug 2007
Location: Manassas, Va
Posts: 23
Thanks: 0
Thanked 0 Times in 0 Posts
|
|
Excellent! Ok, I think if one or two bulkhead connectors were identified and a source for them, all could use them as they choose. Maybe three would be the way to go, since some may want to use only one total bulkhead for all the leads. I think a 48-pin for a total would work, but would have to look again to be sure.
I looked at some of the connectors yesterday, there were ones that were waterproof, and oil/fuel proof that had enough pins.
__________________
1971 Lemans Sport 461 bottle fed daily driver
1971 Trans Am 474 blown EFI pro tour car
1972 442 W-30 clone
|

12-19-2007, 09:23 PM
|
 |
Lateral-g Supporting Vendor
|
|
Join Date: Nov 2005
Posts: 1,891
Thanks: 8
Thanked 32 Times in 21 Posts
|
|
How about these weatherpack bulkheads?
http://rjminjectiontech.com/?p=12
__________________
Kevin Oeste
V8 Speed and Resto Shop
V8TV
Muscle Car Of The Week
V8 Radio Podcast
All about us:
https://www.v8speedshop.com
|

12-19-2007, 10:28 PM
|
 |
Senior Member
|
|
Join Date: Aug 2006
Location: Stewartstown PA
Posts: 1,777
Thanks: 0
Thanked 3 Times in 3 Posts
|
|
Quote:
|
Originally Posted by V8TV
|
I like this one, but is enough pins?
|

12-20-2007, 05:19 AM
|
 |
Member
|
|
Join Date: Aug 2007
Location: Manassas, Va
Posts: 23
Thanks: 0
Thanked 0 Times in 0 Posts
|
|
Nope, would probably have to do 3 of them, and don't think they're RF insulated within the connector....
__________________
1971 Lemans Sport 461 bottle fed daily driver
1971 Trans Am 474 blown EFI pro tour car
1972 442 W-30 clone
|

12-20-2007, 06:01 AM
|
|
Senior Member
|
|
Join Date: Nov 2006
Location: Mountain Springs, Texas
Posts: 1,948
Thanks: 1,244
Thanked 580 Times in 317 Posts
|
|
Quote:
|
Originally Posted by HWYSTR455
Nope, would probably have to do 3 of them, and don't think they're RF insulated within the connector....
|
OK, why do you need RF shielding within the connector if all the rest of the cable in the harness is not RF shielded? I don't think this is necessary and it doesn't gain you anything.
Don
|

12-20-2007, 06:46 AM
|
 |
Member
|
|
Join Date: Aug 2007
Location: Manassas, Va
Posts: 23
Thanks: 0
Thanked 0 Times in 0 Posts
|
|
Some do have shielding, and there's also a dependance on the resistance of the conductor as well. I don't recall off the top of my head which, but once I revisit this area I can post. I just kept a mental note that it was required, though it's possible I could be wrong on that. Certainly two I know of are crank & cam sensors. Guess that might be only an issue if you mount the CD box inside...
__________________
1971 Lemans Sport 461 bottle fed daily driver
1971 Trans Am 474 blown EFI pro tour car
1972 442 W-30 clone
|

12-20-2007, 07:09 AM
|
|
Senior Member
|
|
Join Date: Nov 2006
Location: Mountain Springs, Texas
Posts: 1,948
Thanks: 1,244
Thanked 580 Times in 317 Posts
|
|
Quote:
|
Originally Posted by HWYSTR455
Some do have shielding, and there's also a dependance on the resistance of the conductor as well. I don't recall off the top of my head which, but once I revisit this area I can post. I just kept a mental note that it was required, though it's possible I could be wrong on that. Certainly two I know of are crank & cam sensors. Guess that might be only an issue if you mount the CD box inside...
|
I agree that some connectors do have shielding. I just don't think it does anything since all the wires in the harness are not shielded. Any interference or RFI etc will happen in the harness regardless of what you do with the connector. I think you would need to use shielded wires in the harness before a shielded connector would have any significant impact on performance.
Don
Last edited by dhutton; 12-21-2007 at 04:24 PM.
|
Posting Rules
|
You may not post new threads
You may not post replies
You may not post attachments
You may not edit your posts
HTML code is Off
|
|
|
All times are GMT -7. The time now is 06:45 AM.
|